توضیحات محصول:
نام:اندازه گیری Fx/Fy/Fz برای مراکز ماشینکاری/بررسی دقیق تجهیزات پزشکی
ماده:آلیاژ آلومینیوم
ظرفیت:: Fx-Fy=FZ 50/100/200500/1000N
کلاس IP:IP 65
مزایا:
1.دقيقي چند محور - با دقت اندازه گیری Fx، Fy، و Fz بار با دقت بالا و توانایی نیروی ضد طرف.
2یکپارچه و آسان ادغام - طراحی کم پروفایل و نصب ساده برای کاربردهای محدود فضایی
3گزینه های سفارشی - پیکربندی انعطاف پذیر با طول های مختلف کابل، ابعاد، ظرفیت ها و لوازم جانبی.
4کاربرد های متنوع - ایده آل برای بازوهای رباتیک، مراکز ماشینکاری (پولیس کردن) و آزمایش تجهیزات پزشکی.
کاربردها:
استفاده می شود برای کنترل دقیق بازوهای روباتیک، آسیاب و پولیش کروی، پردازش حکاکی در مراکز ماشینکاری و آزمایش دقیق تجهیزات پزشکی.
مشخصات:
| مشخصات | تکنیک ها | ||||||
| ظرفیت | Fx-Fy=FZ 50/100/200500/1000N | ||||||
| حساسیت | ~1.5%mV/V | ||||||
| صفر تراز | ±0.1mV/V | ||||||
| عدم خطی بودن | ≤0.1% F.S. | ||||||
| خطای تداخل | ≤0.5٪ F.S. | ||||||
| خطای اتصال | ≤0.5٪ F.S.. | ||||||
| تکرار | ≤0.05٪ F.S. | ||||||
| مقاومت ورودی | 350±10Ω | ||||||
| مقاومت خروجی | 350±10Ω | ||||||
| مقاومت عایق | ≥ 5000MΩ/100VDC | ||||||
| تحریک توصیه شده | 2 تا 12 ولت | ||||||
| محدوده دمای کار | -40 تا 90 درجه سانتیگراد | ||||||
| محدودیت بار ایمنی | 150 درصد F.S. | ||||||
| اندازه کابل | ف4.8 × 4000 میلی متر | ||||||
| مواد | آلیاژ آلومینیوم | ||||||
| کلاس IP | IP65 |
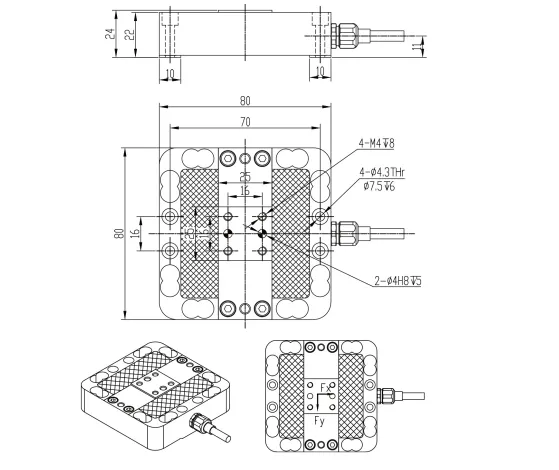
ابعاد ((ملی متر)

جهت بار

کد سیم کشی

![]()
اطلاعات شرکت
![]()
Ruijia یک شرکت خدمات فنی است که در تحقیقات فناوری اندازه گیری نیروی، تولید، تولید، فروش و خدمات تخصص دارد.سلول های بارگذاری با دقت بالا، سنسورهای S-type، سنسورهای cantilever، سنسورهای نیروی چند بعدی، سنسورهای تنش، فرستنده های R & D و تولید ابزارهای کنترل و ارائه راه حل های کنترل مهندسی سیستم.شرکت داراي کارگاه هاي مدرن و فراخ است، تجهیزات تولید و آزمایش با کیفیت بالا، تیم حرفه ای تحقیق و توسعه و سیستم مدیریت کامل برای ارائه راه حل های منطقی و عملی برای مشتریان ما.با سالها دانش و درک در زمینه اتوماسیون، شرکت همیشه به مفهوم عملیات شرکت "کاربری اول" پایبند بوده است، یک تیم حرفه ای در زمینه اتوماسیون ساخته شده است،و مشتریان را با محصولات با کیفیت پایدار و پیش فروش و پس از فروش فراهم کردخدمات فنیما همیشه به اصل نوآوری مستقل، فقط محصولات خوب و مدیریت علمی پایبند هستیم و همیشه به ارائه محصولات کامل و راه حل های سیستم پایبند هستیم،که در زمينه ي ما به شدت محترم شمرده ميشه;به طور مداوم تغییر و ارائه مشتریان با خدمات با ارزش افزوده عالی.