ویژگی ها
سلول بار وزن پرتگاه خم شده 10،20,50,100,200،500kg بر اساس تکنولوژی کشش سنج است. سنسور با دقت بالا آسان برای نصب است. IP68 ضد آب حسگر وزن امکانات نامحدود را برای برنامه ریزی ارائه می دهدکتیون ها
درخواست ها
طراحی پرتگاه کانتیلیور عملکرد قابل اعتماد و دوام را تضمین می کند و آن را برای سیستم عامل های تجارت الکترونیکی مرزی که به دنبال ارائه فرستنده های وزن با کیفیت به مشتریان خود هستند، ایده آل می کند.چه در محیط های صنعتی و چه در کاربردهای تجاری استفاده شود، این سلول بار برای تمام نیازهای وزن، نتایج دقیق و سازگار را فراهم می کند.
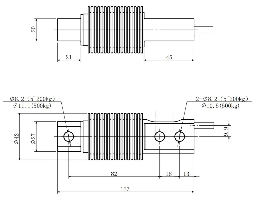
ابعاد نصب

بارگذاری مستقیم..

ماingکد

مشخصات
| مشخصات | تکنیک |
| ظرفیت | 10,20,50,100,200،500 کیلوگرم |
| کلاس دقت | C3 |
| خروجی نامی | 2.0±0.05mV/V |
| صفر تراز | ±دو درصد ف.س. |
| عدم خطی بودن | 0.018% F.S. |
| هیسترز | 0.017% F.S. |
| تکرار | 0.018% F.S. |
| ترسناک (۳۰ دقیقه) | 0.0166٪ F.S. |
| تاثیر دمای بر خروجی | 0.008٪ F.S./10oC |
| اثر دمایی در صفر | 0.0125%F.S./10oC |
| مقاومت ورودی | 390±5Ω |
| مقاومت خروجی | 350±5Ω |
| عایق بندی | ≥5000 مترΩ/100VDC |
| تحریک توصیه شده | 5~15 ولت |
| حداکثر تحریک | 20 ولت |
| محدوده دمای جبران شده | -10~40oC |
| محدوده دمای عملیاتی | -30~70oC |
| حمل بیش از حد امن | 150 درصد F.S. |
| اضافه بار نهایی | 300% F.S. |
| اندازه کابل | Φ5.4×1500mm |
| مواد | فولاد ضد زنگ |
| کلاس IP | IP68 |
![]()