◆ انواع سیگنال های خروجی اختیاری هستند.
◆ ضد تداخل، ضد افزایش
◆ دقت بالا، قابلیت اطمینان خوب، تراشه های آلمانی؛
◆ دیافراگم جداکننده فولاد ضد زنگ 316L، طراحی یکپارچه؛
◆ به طور ذاتی امن، مطابق با الزامات ExiaII.CT6 از استاندارد GB3836.4
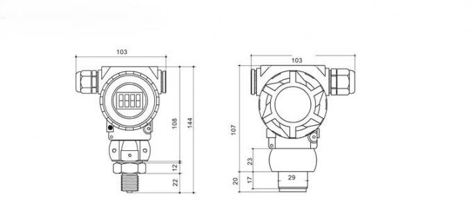
خلاصه ی محصول:
AMP51Aفرستنده فشار صنعتی یک محصول اندازه گیری فشار با دقت بالا و ثبات بالا است که به طور مستقل توسط شرکت ما طراحی و تولید شده است.محصول یک سنسور سیلیکون piezoresistive با یک دیافراگم جداسازی فولاد ضد زنگ را اتخاذ می کند، با یک مدار دیجیتال خاص و خروجی یک محصول یکپارچه از سیگنال استاندارد صنعتی از طریق تقویت سیگنال، جبران خطی، ضد تداخل،حفاظت ضد افزایش و دیگر پردازش سیگنال.
کاربرد محصول:
◆ صنعت پتروشیمی
◆ برق فلزی
◆ تکنولوژی اندازه گیری و کنترل
◆ میدان های هیدرولیکی و پنوماتیک








